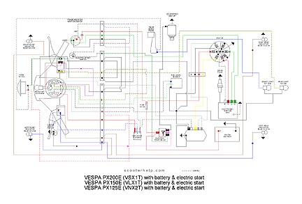
Electrical Diagram VNX1T
click image to download a .pdf file
[
with battery
][
no battery
]